
ケーブル径0.141インチ(RG402)相当
Φ4.1mm
セミフレキ
ハンドフォーミングケーブル(セミリジッド代替)
配線用 ローコストケーブル
低ロス 高精度位相管理に最適
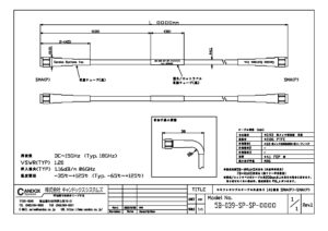
~15GHz(MAX)
-35℃~+125℃
0.43dB/m(@1GHz)
※5B-039・・・非RoHS対応
7B-039・・・RoHS対応
特徴
- ローコストでありながらも安定した伝送特性
- 一般的サイズなので取り付けられるコネクタが豊富です。
- セミリジットケーブルの置換でハンドフォーミングが可能
- 片側オープン・芯線出し仕様にて基板直付けケーブルの製作も承ります。
- 周波数 ~15GHz
- 【外被あり】5B-039
- 外形寸法 Φ4.1mm FEP 青
- 中心導体 Φ0.93mm 銀メッキ銅被鋼 単線
- 外部導体 Φ3.5mm 錫メッキ軟銅線+錫コーティング
- 絶縁体 Φ2.86mm PTFE
- 最小曲げR 内R6mm
ケーブルの代表実測データは標準的に無償で添付されます。
詳細はこちらを参照ください。
基板付け用などの片側オープン(芯線出し)仕様も承ります。


