
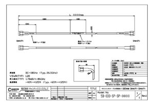
ケーブル径0.085インチ(RG405)相当セミフレキケーブル(被覆あり)
外径Φ2.5mm
ハンドフォーミングケーブル(セミリジッド代替)
Kコネクタ(~40GHz)まで対応した配線用ローコストケーブル
(5B-030ケーブルを40GHzまで拡張した高性能ケーブルです)
~40GHz(MAX)
-40℃~+125℃
0.69dB/m(@1GHz)
特徴
- 0.69dB/m(@1GHz)
- ローコストでありながらも安定した伝送特性
- ほとんどの高周波コネクタの取付が可能
- セミリジットケーブルの置換でハンドフォーミングが可能
- 片側オープン・芯線出し仕様にて基板直付けケーブルの製作も承ります。
- 周波数
~40GHz対応
- 【外被あり】5B-033
- 外形寸法 Φ2.5mm PTFE 赤
- 中心導体 φ0.53mm 銀メッキ銅被鋼
単線 - 絶縁体 Φ1.65㎜ PTFE
- 外部導体 Φ2.1mm 錫メッキ軟銅線
+錫コーティング - ~40GHz(MAX)
実測データ
5B-033 2.92mm(P)-2.92mm(P) L=1m (40GHz)
(5B-033-KP-KP-1000)
ケーブルの代表実測データは標準的に無償で添付されます。
詳細はこちらを参照ください。
基板付け用などの片側オープン(芯線出し)仕様も承ります。
製品名の構成
5B - 033 - SP - SJ - ▢▢▢▢ - △
① ② ③ ④ ⑤ ⑥

| ① | 5B | 非RoHs対応品 | |
| 7B | RoHs対応品 | ||
| ② |
033 | ケーブル種類 外皮あり (~40GHz) | |
| ③ ④ |
SP | SMA(P) | ~18GHz(~26.5GHz ※) |
| SJ | SMA(J) | ~18GHz(~26.5GHz ※) | |
| 04 | SMA(J) 4つ穴フランジ付き | ~18GHz(~26.5GHz ※) | |
| 08 | SMA(J) バルクヘッド | ~18GHz | |
| SPL | SMAL(P) | ~8GHz | |
| 37 | SMAL(P) | ~18GHz | |
| NP | N(P) ローレットナット | ~12.4GHz | |
| NPH | N(P) 六角ナット | ~18GHz | |
| KP | 2.92mm(P) | ~40GHz | |
| KJ | 2.92mm(J) | ~40GHz | |
| 応相談 | N(J) | 応相談 | |
| SMP(F) | |||
| SMPM(F) | |||
| ⑤ | ▢▢▢▢ | ケーブル長さ(mm) | |
| ⑥ | 記入なし | 標準仕様 | |
| 26.5G | 周波数 ~26.5GHz上限 ※ | SMA(P)、SMA(J)のみ対応 | |
標準仕様の場合は⑥の記入は不要です。
コネクタ首元チューブの補強を無くし、首元から曲げられる仕様も可能です。


